Выключатель автоматический дифференциального тока АВДТ32МL C16 30мА Karat IEK (2Р, 16 А, 6 кА)
Автоматические выключатели дифференциального тока со встроенной защитой от сверхтоков в одномодульном корпусе типа АВДТ32МL серии Karat предназначены для эксплуатации в однофазных электрических сетях переменного тока напряжением до 230 В частотой 50 Гц.

Применение
- Распределительные, учетно-распределительные щиты жилых и общественных зданий.
- Щиты квартирные.
- Устройства временного электроснабжения строительных площадок.
- Садовые дома.
- Гаражи.
- Объекты розничной торговли.
Преимущества
- Компактное исполнение.
- Высокая предельная коммутационная способность 6000 А.
- Специально разработанная схема подключения тестирующей цепи.
- Удобный монтаж / демонтаж.
- Возможность подключения нагрузки как сверху, так и снизу.
Размеры

Особенности конструкции
![]() |
Насечки на контактных зажимах снижают тепловые потери и увеличивают механическую устойчивость соединения. | ![]() |
Кнопка "Тест" для проверки работоспособности устройства и правильности подключения. |
![]() |
Боковые ребра для лучшего охлаждения корпуса. | ![]() |
Быстрый монтаж / демонтаж и дополнительная надежность крепления на DIN-рейке. |
Функциональные возможности
- Обнаружение дифференциального тока.
- Сравнение дифференциального тока со значением дифференциального тока срабатывания и отключения защищаемой цепи в случае, когда дифференциальный ток превосходит это значение.
- Автоматическое отключение электроустановки при появлении сверхтоков.
- Защита человека от поражения электрическим током в случае прямого прикосновения к токоведущим частям электроустановок.
- Защита людей при косвенном контакте с доступными проводящими частями электроустановок при повреждении изоляции.
- Защита от пожаров, возникающих из-за утечек дифференциального (остаточного) тока на землю при повреждении изоляции токоведущих частей.
- Защита от сверхтоков (перегрузки и короткого замыкания), возникающих в электроустановках зданий.
Технические характеристики
| Артикул | MVD12-1-016-C-030 |
| Тип изделия | автоматический выключатель дифференциального тока со встроенной защитой от сверхтоков |
| Количество полюсов | 1P+N |
| Наличие защиты от сверхтоков в полюсах | в фазном полюсе |
| Количество модулей | 1 |
| Номинальное рабочее напряжение Ue, В | 230 |
| Номинальная частота сети, Гц | 50 |
| Тип тока утечки | переменный (АС) |
| Номинальное импульсное выдерживаемое напряжение Uimp, В | 4000 |
| Номинальный ток In, А | 16 |
| Номинальный отключающий дифференциальный ток (уставка) I?n, мА | 30 |
| Номинальный неотключающий дифференциальный ток, мА | 0,5I?n |
| Наибольшая отключающая способность Icn, А | 6000 |
| Номинальная дифференциальная наибольшая включающая и отключающая способность I?m, А | 500 |
| Тип расцепителя | тепловой, электромагнитный |
| Характеристика срабатывания от сверхтоков | С |
| Рабочий режим | продолжительный |
| Механическая износостойкость, циклов В-О | ?15000 |
| Электрическая износостойкость, циклов В-О | ?6000 |
| Рабочее положение в пространстве | вертикальное или горизонтальное с возможным отклонением в любую сторону до 30° |
| Тип монтажа | на DIN-рейку |
| Тип подключения | винтовое соединение |
| Максимальное сечение входящего кабеля, кв.мм | 6 |
| Диапазон рабочих температур, °C | -25... +40 |
| Относительная влажность, % | 50* при +40 °C |
| Степень защиты от пыли и влаги | IP20 |
| Климатическое исполнение и категория размещения | УХЛ4 (ГОСТ 15150) |
| Вес изделия, кг | 0,13 |
| Срок службы, лет | 15 |
* Допускается использование АВДТ при относительной влажности 90 % и температуре +25 °C.
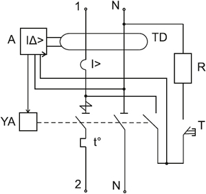
Схема электрическая принципиальная

Преимущества
- Доставка по всей России
- Более 200 000 товаров в ассортименте
- Профессиональная консультация
- Кабель БЕЗ опасности
- Качество по ГОСТу
|
Бренд
|
IEK |
|
СрокГарантии, мес
|
18 |
|
Количество полюсов
|
2 |
|
Марка изделия
|
АВДТ32МL 1 мод |
|
Модульная ширина (общее кол-во модульных расстояний)
|
1 |
|
Номинальное напряжение, В
|
220 |
|
Номинальная отключающая способность, кА
|
6 |
|
Номинальный ток утечки, мА
|
30 |
|
Номинальный ток, А
|
16 |
|
Тип тока утечки
|
AC |
-
Зайдите на страницу товара и нажмите на кнопку «В корзину».
Далее можно продолжить покупки или перейти к оформлению заказа.
-
Перейдите в Корзину и нажмите «Перейти к оформлению».
Можно авторизоваться или оформить заказ без регистрации. Зарегистрированные пользователи могут:
- Отслеживать статус заказа
- Получать спецпредложения и промокоды на дополнительные скидки
- Укажите Ваши контакты: ФИО, телефон и e-mail.
- Выберите способ получения заказа (доставка или пункт самовывоза) и способ оплаты.
- Далее «Оформить заказ».
Готово: ваш заказ создан! По электронной почте или в личном кабинете Вы можете отслеживать статус заказа.
Теперь останется только ждать доставки и радоваться новой покупке!
Оплачивайте покупки удобным способом.
В нашем интернет-магазине доступно 3 варианта оплаты:
- Оплата наличными или картой при самовывозе в пункте выдачи заказов/магазине.
- Онлайн-оплата на сайте при оформлении заказа. Для совершения покупки система перенаправит вас на страницу платежного сервиса. Здесь необходимо заполнить форму по инструкции.
- Оплата по счету для юридических лиц. Оплата происходит после предоставления реквизитов для выставления счета. Покупатель получает счет на указанный e-mail.
Доступно 3 варианта доставки:
- Самовывоз из магазина. Список торговых точек для выбора появится в корзине. Для получения заказа обратитесь к сотруднику в кассовой зоне и назовите номер заказа.
- Доставка транспортной компанией СДЭК или Почтой РФ в отделение или постамат.
По всем возникающим вопросам можете позвонить нам на горячую линию:
Ежедневно с 8:00 до 20:00 по МСК
E-mail: help@kristall43.ru
Адрес: 610000, г. Киров, ул. Щорса, 68г, кабинет 3



