Автоматический выключатель дифференциального тока IEK B10N 2Р C16 30мА тип АС Armat (16 А, характеристика С, 10 кА)
Автоматические выключатели дифференциального тока (АВДТ) IEK типа B10N серии Armat предназначены для эксплуатации в однофазных электрических сетях переменного тока напряжением 230 В частотой 50 / 60 Гц.
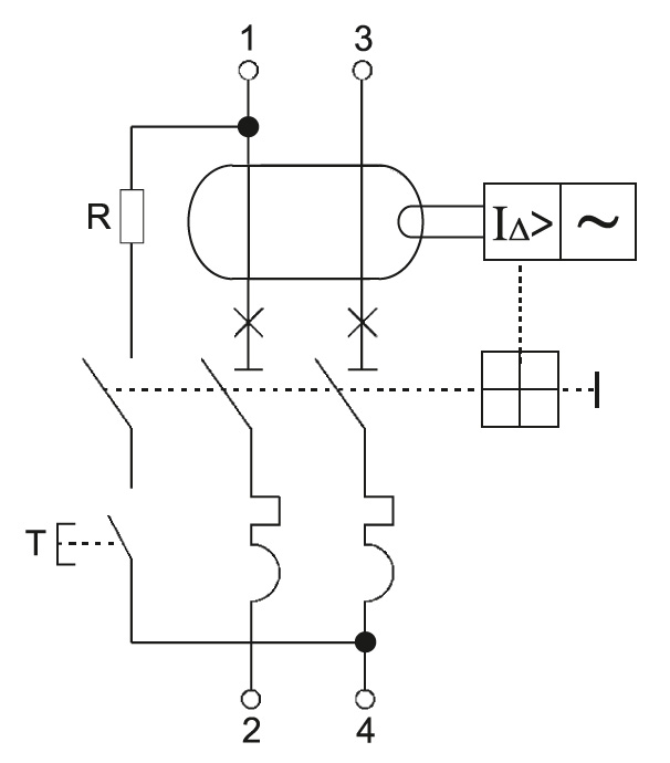
АВДТ выполняют функцию обнаружения дифференциального тока, сравнения его значения с величиной отключающего дифференциального тока и отключения защищаемой цепи в случае, когда значение дифференциального тока превышает допустимое значение, а также функцию отключения электроустановки при появлении сверхтоков.
АВДТ обеспечечивают:
- защиту людей от поражения электрическим током в случае прямого прикосновенния к токоведущим частям электроустановок;
- защиту людей при косвенном контакте с доступными проводящими частями электроустановок при повреждении изоляции;
- защиту от пожаров, возникающих из-за утечек дифференциального (остаточного) тока на землю при повреждении изоляции токоведущих частей;
- защиту от сверхтоков (перегрузка и короткое замыкание), возникающих в электроустановках зданий.
Устанавливаются в распределительных, учетно-распределительных щитах жилых и общественных зданий, щитах квартирных, устройствах временного электроснабжения строительных площадок, садовых домов, гаражей, объектов розничной торговли.
Надежное решение для промышленности, энергетики и бытового применения.
Преимущества
- Электромеханический тип АДВТ (функционально не зависят от напряжения сети, что обеспечивает функциональную работу даже в случае исчезновения нуля).
- Каждый полюс защищен термомагнитным расцепителем и в каждом полюсе есть дугогасительная система.
- Номинальная наибольшая отключающая способность 10 кА гарантирует надежную работу устройства даже при высоких токах короткого замыкания.
- Совместимость с дополнительными устройствами Armat серии AUX - присоединение до 4 дополнительных устройств.
- Наличие индикатора положения контактной группы облегчает визуальную диагностику состояния коммутирующих контактов.
- Высокая механическая прочность винтового зажима - максимальный выдерживаемый момент 5 Н*м.
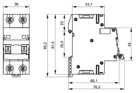
Размеры
| Высота корпуса, мм | 85,2 |
| Ширина корпуса, мм | 36 |
| Глубина корпуса, мм | 76,2 |
Конструкция и материалы
- Защитная шторка исключает неправильное подключение и ошибку при монтаже.
- Контактная система из чистой меди обеспечивает высокую проводимость и тепловую стабильность.
Напайка неподвижного контакта из композитного материала на основе серебра AgC4 обеспечивает высокий ресурс механической и коммутационной износостойкости. - Функции защиты от токов перегрузки и короткого замыкания, а также дугогасительная ферромагнитная решетка реализованы в каждом полюсе.

- Подключение шинами PIN и Fork сверху и снизу.
- Корпус из первичного пластика не поддерживает горение до +960 °C.
- Механизм свободного расцепления с мгновенной коммутацией снижает негативное влияние электрической дуги при включении за счет стабильной скорости замыкания коммутирующих контактов.

Технические характеристики
| Артикул | AR-B10N-2-C016C030 |
| Тип изделия | автоматический выключатель дифференциального тока |
| Модульная ширина (шаг 18 мм) | 2 |
| Число полюсов | 2P |
| Количество защищенных от сверхтока полюсов | 2 |
| Номинальное напряжение Ue, В | АС 230 |
| Номинальная частота сети, Гц | 50 / 60 |
| Номинальный ток In, А | 16 |
| Тип расцепителя | тепловой, электромагнитный |
| Номинальный отключающий дифференциальный ток (уставка) IΔn, мА | 30 |
| Номинальный неотключающий дифференциальный ток IΔn0, мА | 0,5IΔn |
| Номинальная наибольшая отключающая способность Icn, А | 10000 |
| Рабочая наибольшая отключающая способность Ics, А | 7500 |
| Номинальная дифференциальная наибольшая включающая и отключающая способность IΔm, А | 10000 |
| Тип тока утечки | АС |
| Характеристика срабатывания от сверхтоков (кривая тока) | С |
| Номинальное импульсное выдерживаемое напряжение Uimp, кВ | 4 |
| Номинальное напряжение изоляции Ui, В | 500 |
| Механическая износостойкость, не менее, циклов В-О | 20 тыс. |
| Коммутационная износостойкость, не менее, циклов В-О | 10 тыс. |
| Режим работы | продолжительный |
| Диапазон рабочих температур окружающей среды, °C | -25... +55 |
| Относительная влажность воздуха, % | 50* при +40 °C |
| Степень защиты от пыли и влаги | IP20 |
| Степень загрязнения окружающей среды | 2 |
| Способ крепления | на DIN-рейку |
| Тип подключения | винтовое соединение |
| Сечение подключаемых проводников, кв.мм | 1,0 - 16 |
| Номинальный / максимальный момент затяжки винтов контактных зажимов, Н*м | 2,5 / 5 |
* Допускается эксплуатация устройства при относительной влажности 90% и температуре окружающей среды +20 °C.
Преимущества
- Доставка по всей России
- Более 200 000 товаров в ассортименте
- Профессиональная консультация
- Кабель БЕЗ опасности
- Качество по ГОСТу
|
Бренд
|
IEK |
|
СрокГарантии, мес
|
120 |
|
Количество полюсов
|
2 |
|
Модульная ширина (общее кол-во модульных расстояний)
|
2 |
|
Номинальное напряжение, В
|
230 |
|
Номинальная отключающая способность, кА
|
10 |
|
Номинальный ток утечки, мА
|
30 |
|
Номинальный ток, А
|
16 |
|
Тип тока утечки
|
AC |
-
Зайдите на страницу товара и нажмите на кнопку «В корзину».
Далее можно продолжить покупки или перейти к оформлению заказа.
-
Перейдите в Корзину и нажмите «Перейти к оформлению».
Можно авторизоваться или оформить заказ без регистрации. Зарегистрированные пользователи могут:
- Отслеживать статус заказа
- Получать спецпредложения и промокоды на дополнительные скидки
- Укажите Ваши контакты: ФИО, телефон и e-mail.
- Выберите способ получения заказа (доставка или пункт самовывоза) и способ оплаты.
- Далее «Оформить заказ».
Готово: ваш заказ создан! По электронной почте или в личном кабинете Вы можете отслеживать статус заказа.
Теперь останется только ждать доставки и радоваться новой покупке!
Оплачивайте покупки удобным способом.
В нашем интернет-магазине доступно 3 варианта оплаты:
- Оплата наличными или картой при самовывозе в пункте выдачи заказов/магазине.
- Онлайн-оплата на сайте при оформлении заказа. Для совершения покупки система перенаправит вас на страницу платежного сервиса. Здесь необходимо заполнить форму по инструкции.
- Оплата по счету для юридических лиц. Оплата происходит после предоставления реквизитов для выставления счета. Покупатель получает счет на указанный e-mail.
Доступно 3 варианта доставки:
- Самовывоз из магазина. Список торговых точек для выбора появится в корзине. Для получения заказа обратитесь к сотруднику в кассовой зоне и назовите номер заказа.
- Доставка транспортной компанией СДЭК или Почтой РФ в отделение или постамат.
По всем возникающим вопросам можете позвонить нам на горячую линию:
Ежедневно с 8:00 до 20:00 по МСК
E-mail: help@kristall43.ru
Адрес: 610000, г. Киров, ул. Щорса, 68г, кабинет 3