Выключатель автоматический дифференциального тока IEK B06S 1Р+N B25 30мА тип АС Armat (1 модуль, 25 А, характеристика B, 6 кА)
Выключатель автоматический дифференциального тока B06S серии Armat IEK предназначен для эксплуатации в однофазных электрических сетях переменного тока напряжением 230 В частотой 50 / 60 Гц.
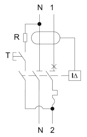
АВДТ выполняет функцию обнаружения дифференциального тока, сравнения его значения с величиной отключающего дифференциального тока и отключения защищаемой цепи в случае, когда значение дифференциального тока превышает допустимое значение, а также функцию отключения электроустановки при появлении сверхтоков.
АВДТ обеспечивает:
- защиту людей от поражения электрическим током в случае прямого прикосновения к токоведущим частям электроустановок;
- защиту людей при косвенном контакте с доступными проводящими частями электроустановок при повреждении изоляции;
- защиту от пожаров, возникающих из-за уточек дифференциального (остаточного) тока на землю при повреждении изоляции токоведущих частей;
- защиту от сверхтоков (перегрузки и короткого замыкания), возникающих в электроустановках зданий.
Номинальная отключающая способность АВДТ Armat серии B06S составляет 6 кА.
Устройство функционально зависит от напряжения сети.
Применение
- Распределительные, учетно-распределительные щиты жилых и общественных зданий.
- Щиты квартирные.
- Устройства временного электроснабжения строительных площадок, садовых домов, гаражей, объектов розничной торговли.
Преимущества
- Защита от перегрузки, короткого замыкания и замыкания на землю в одном корпусе.
- Компактное исполнение 18 мм (полюс + нейтраль).
- Возможность подключения нагрузки и сети сверху и снизу.
- Высокий коммутационный ресурс 10000 электрических циклов.
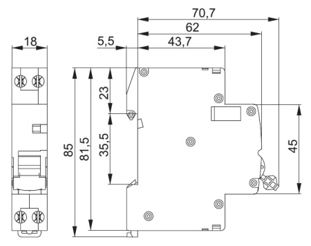
Размеры
| Высота корпуса, мм | 85 |
| Ширина корпуса, мм | 18 |
| Глубина корпуса, мм | 70,7 |
Конструкция и материалы
- Механизм мгновенной коммутации увеличивает электрическую износостойкость.
- Массивная дугогасительная камера (14 пластин) повышает электрическую износостойкость при коротком замыкании.
- Большая серебряная напайка для уменьшения переходного сопротивления.
- Интегральная помехозащищенная схема дифференциальной защиты для исключения ложных срабатываний.
- Прочный корпус (8 заклепок). Индикатор положения контактной группы. Кнопка "Тест" для проверки работоспособности.
- Защита от неправильного подключения.
Технические характеристики
| Артикул | AR-B06S-1N-B25C030 |
| Тип изделия | автоматический выключатель дифференциального тока |
| Модульная ширина (шаг 18 мм) | 1 |
| Количество полюсов | 1P+N |
| Количество защищенных полюсов | 1 |
| Тип расцепителя | тепловой, электромагнитный |
| Тип модуля дифференциальной защиты | функциональный зависящий от напряжения сети |
| Диапазон рабочего напряжения, В | АС 195 - 264 |
| Номинальное рабочее напряжение Ue, В | АС 230 |
| Номинальная частота сети, Гц | 50 / 60 |
| Номинальный ток In, А | 25 |
| Номинальный отключающий дифференциальный ток (уставка) IΔn, мА | 30 |
| Номинальный неотключающий дифференциальный ток IΔn0, мА | 0,5IΔn |
| Номинальная наибольшая отключающая способность Icn, А | 6000 |
| Рабочая наибольшая отключающая способность Ics, А | 6000 |
| Номинальная дифференциальная наибольшая включающая и отключающая способность IΔm, А | 6000 |
| Тип рабочей характеристики по условиям функционирования при наличии составляющей постоянного тока | АС |
| Характеристика срабатывания от сверхтоков | B |
| Номинальное напряжение изоляции Ui, В | 400 |
| Номинальное импульсное выдерживаемое напряжение Uimp, кВ | 4 |
| Механическая износостойкость, не менее, циклов В-О | 20000 |
| Коммутационная износостойкость, не менее, циклов В-О | 10000 |
| Режим работы | продолжительный |
| Класс токоограничения | 3 |
| Диапазон рабочих температур, °C | -25... +45 |
| Относительная влажность воздуха, % | 90 % (при +20 °C) / 50 % (при +40 °C) |
| Степень защиты от пыли и влаги по ГОСТ 14254 | IP20 |
| Способ крепления | на DIN-рейку |
| Тип подключения | винтовое соединение |
| Сечение присоединяемого провода, кв.мм | 1 - 10 |
| Момент затяжки винтов контактных зажимов, Н*м | 1,2 |
Расшифровка условных обозначений
Пример: AR-B06S-2-C006C030
- AR - наименование линейки (коллекции) Armat.
- В - тип устройства: В - АВДТ.
- 06 - отключающая способность: 06 - 6 кА, 10 - 10 кА.
- S - типоразмер: S - 18 мм/2 полюса, N - 18 мм/1 полюс, H - 27 мм/1 полюс.
- 2 - описание полюсов (2, 4, 1N, 3N).
- С - характеристика B, C, D.
- 006 - номинальный ток: 006 - 6 А.
- С - тип дифференциального тока: С - АС, А - А, CS - AC-S, AS - A-S.
- 030 - номинал дифференциального тока: 030 - 30 мА.
Преимущества
- Доставка по всей России
- Более 200 000 товаров в ассортименте
- Профессиональная консультация
- Кабель БЕЗ опасности
- Качество по ГОСТу
|
Бренд
|
IEK |
|
СрокГарантии, мес
|
120 |
|
Количество полюсов
|
2 |
|
Модульная ширина (общее кол-во модульных расстояний)
|
1 |
|
Номинальное напряжение, В
|
230 |
|
Номинальная отключающая способность, кА
|
6 |
|
Номинальный ток утечки, мА
|
30 |
|
Номинальный ток, А
|
25 |
|
Тип тока утечки
|
AC |
-
Зайдите на страницу товара и нажмите на кнопку «В корзину».
Далее можно продолжить покупки или перейти к оформлению заказа.
-
Перейдите в Корзину и нажмите «Перейти к оформлению».
Можно авторизоваться или оформить заказ без регистрации. Зарегистрированные пользователи могут:
- Отслеживать статус заказа
- Получать спецпредложения и промокоды на дополнительные скидки
- Укажите Ваши контакты: ФИО, телефон и e-mail.
- Выберите способ получения заказа (доставка или пункт самовывоза) и способ оплаты.
- Далее «Оформить заказ».
Готово: ваш заказ создан! По электронной почте или в личном кабинете Вы можете отслеживать статус заказа.
Теперь останется только ждать доставки и радоваться новой покупке!
Оплачивайте покупки удобным способом.
В нашем интернет-магазине доступно 3 варианта оплаты:
- Оплата наличными или картой при самовывозе в пункте выдачи заказов/магазине.
- Онлайн-оплата на сайте при оформлении заказа. Для совершения покупки система перенаправит вас на страницу платежного сервиса. Здесь необходимо заполнить форму по инструкции.
- Оплата по счету для юридических лиц. Оплата происходит после предоставления реквизитов для выставления счета. Покупатель получает счет на указанный e-mail.
Доступно 3 варианта доставки:
- Самовывоз из магазина. Список торговых точек для выбора появится в корзине. Для получения заказа обратитесь к сотруднику в кассовой зоне и назовите номер заказа.
- Доставка транспортной компанией СДЭК или Почтой РФ в отделение или постамат.
По всем возникающим вопросам можете позвонить нам на горячую линию:
Ежедневно с 8:00 до 20:00 по МСК
E-mail: help@kristall43.ru
Адрес: 610000, г. Киров, ул. Щорса, 68г, кабинет 3

