Автоматический выключатель дифференциального тока АВДТ-63N 3P+N 20А EKF PROxima (20 А, характеристика C, тип AС электронный, 30 мА, 6 кА)
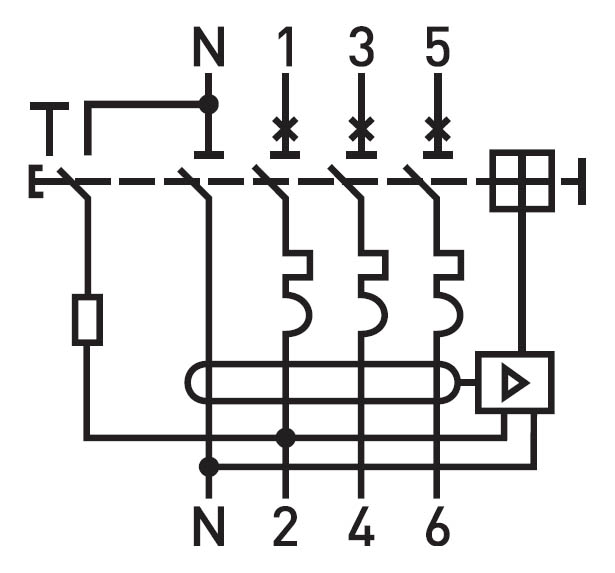
Автоматический выключатель дифференциального тока АВДТ-63N PROxima EKF - аппарат, сочетающий функции автоматического выключателя с электромеханическим или электронным УЗО.
При обнаружении автоматическим выключателем в защищаемом участке сети тока утечки (повреждения) на землю или сверхтока (тока перегрузки или короткого замыкания) происходит срабатывание устройства, приводящее к отключению защищаемой сети.
Дифавтомат оответствует ГОСТ IEC 61009-1.
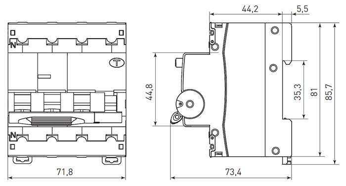
Размеры и вес
| Высота корпуса, мм | 81 |
| Ширина корпуса, мм | 71,8 |
| Глубина корпуса, мм | 73,4 |
| Вес изделия, г | 400 |
Особенности конструкции

- Литая лицевая панель.
- Особая конструкция рычага обеспечивает информативность устройства, указывая на причину срабатывания:
опущена только часть рычага - короткое замыкание или перегрузка, опущены обе части рычага - ток утечки.
- Пластиковые крышки закрывают доступ к винтовым зажимам, служат для опломбирования винтовых клемм, что исключает несанкционированный доступ к проводникам.
- Подключение шин PIN и Fork как сверху, так и снизу.
- Возможна коммутация алюминиевым и медным проводником.
Технические характеристики
| Артикул | D63N46E20C30 |
| Тип изделия | выключатель автоматический, управляемый дифференциальным током, со встроенной защитой от сверхтока |
| Модульная ширина (шаг 18 мм) | 4 |
| Общее число полюсов | 3P+N |
| Число защищенных полюсов | 3 |
| Тип модуля дифференциальной защиты | электронный (функционально зависящий от напряжения сети) |
| Номинальное рабочее напряжение Ue, В | АС 400 |
| Номинальная частота, Гц | 50 / 60 |
| Номинальный рабочий ток In, А | 20 |
| Характеристика срабатывания (кривая тока) | С |
| Тип тока утечки | АС* |
| Номинальный отключающий дифференциальный ток IΔn, А | 0,03 |
| Номинальный неотключающий дифференциальный ток IΔno, А | 0,5IΔn |
| Максимальное время отключения при любых значениях номинального неотключающего тока утечки, с. | 0,04 |
| Номинальная наибольшая отключающая способность Icn, А | 6000 |
| Отключение незащищенной нейтрали (N) совместно с защищенным полюсом | да |
| Номинальное импульсное выдерживаемое напряжение Uimp, кВ | 6 |
| Номинальное напряжение изоляции Ui, В | 500 |
| Класс токогораничения | 3 |
| Категория перенапряжения | 3 |
| Защита от ложного срабатывания | нет |
| Защита от повышенного напряжения (для электронного типа модуля дифференциальной защиты), В | 270 |
| С блокировкой | нет |
| Механическая износостойкость, циклов | 20000 |
| Коммутационная износостойкость, циклов | 10000 |
| Диапазон рабочих температур, °C | -25... +50 |
| Степень защиты от пыли и влаги | IP20 |
| Климатическое исполнение и категория размещения | УХЛ3.1 |
| Степень загрязнения | 3 |
| Способ крепления | на DIN-рейку |
| Расположение клеммы для подключения N-проводника | слева |
| Максимальное сечение подключаемого проводника, кв.мм | 16 (гибкий многопроволочный) / 25 (жесткий однопроволочный) |
| Момент затяжки винтов, не более, Н*м | 3 |
| Срок службы, лет | 20 |
* Срабатывание АВДТ обеспечивается дифференциальным синусоидальным переменным током путем внезапного его приложения либо при медленном нарастании.
Преимущества
- Доставка по всей России
- Более 200 000 товаров в ассортименте
- Профессиональная консультация
- Кабель БЕЗ опасности
- Качество по ГОСТу
|
Бренд
|
EKF |
|
СрокГарантии, мес
|
84 |
|
Количество полюсов
|
4 |
|
Модульная ширина (общее кол-во модульных расстояний)
|
4 |
|
Номинальное напряжение, В
|
230 |
|
Номинальная отключающая способность, кА
|
6 |
|
Номинальный ток утечки, мА
|
30 |
|
Номинальный ток, А
|
20 |
|
Тип тока утечки
|
AC |
-
Зайдите на страницу товара и нажмите на кнопку «В корзину».
Далее можно продолжить покупки или перейти к оформлению заказа.
-
Перейдите в Корзину и нажмите «Перейти к оформлению».
Можно авторизоваться или оформить заказ без регистрации. Зарегистрированные пользователи могут:
- Отслеживать статус заказа
- Получать спецпредложения и промокоды на дополнительные скидки
- Укажите Ваши контакты: ФИО, телефон и e-mail.
- Выберите способ получения заказа (доставка или пункт самовывоза) и способ оплаты.
- Далее «Оформить заказ».
Готово: ваш заказ создан! По электронной почте или в личном кабинете Вы можете отслеживать статус заказа.
Теперь останется только ждать доставки и радоваться новой покупке!
Оплачивайте покупки удобным способом.
В нашем интернет-магазине доступно 3 варианта оплаты:
- Оплата наличными или картой при самовывозе в пункте выдачи заказов/магазине.
- Онлайн-оплата на сайте при оформлении заказа. Для совершения покупки система перенаправит вас на страницу платежного сервиса. Здесь необходимо заполнить форму по инструкции.
- Оплата по счету для юридических лиц. Оплата происходит после предоставления реквизитов для выставления счета. Покупатель получает счет на указанный e-mail.
Доступно 3 варианта доставки:
- Самовывоз из магазина. Список торговых точек для выбора появится в корзине. Для получения заказа обратитесь к сотруднику в кассовой зоне и назовите номер заказа.
- Доставка транспортной компанией СДЭК или Почтой РФ в отделение или постамат.
По всем возникающим вопросам можете позвонить нам на горячую линию:
Ежедневно с 8:00 до 20:00 по МСК
E-mail: help@kristall43.ru
Адрес: 610000, г. Киров, ул. Щорса, 68г, кабинет 3